Ein Drehzahlmesser wird gebaut

Das Winterhalbjahr lädt zu Basteln ein. Ein Drehzahlmesser stand schon lange auf der Wunschliste und soll nun realisiert werden.

Ein Meßgerät mit einer digitalen Anzeige wie Alfano pro und ähnliche soll es nicht werden. Das Ablesen der Ziffern dauert viel zu lange. Die Umsetzung des abgelesenen Wertes in eine Handlung erfordert auch aktives Nachdenken und somit Zeit. Eine analoge Anzeige ist viel besser geeignet eine "instinktive" Reaktion bei zu niedriger oder zu hoher Drehzahl auszulösen.

Es wird also ein Drehzahlmesser mit einer LED Leuchtbandanzeige gebaut werden.

Manfred's Schaltung kann im Prinzip genau so wie sie ist übernommen werden.

Allerdings sollen statt Flächen LED's superhelle LED's verwendet werden. Es sollen auch 40 statt 20 LED's verwendet werden.

Außerdem muß ja nicht alles nur stupide nachgebaut werden. Selber kreativ werden macht viel mehr Spaß. Also wird die zukünftige Schaltung erst mal in Module zerlegt und ein Blockschaltbild angefertigt.

Die Bordspannung ist besonders bei einer schon älteren Batterie nicht geeignet um die Schaltung zu betreiben. Aus diesem Grund ist eine zentrale Spannungsversorgung notwendig. Die wird mit einem LM7810 und 2 Glättungskondensatoren erledigt werden.

Das Eingangssignal von der CDI ist - wie Manfred schon festgestellt hat - ein scharfer Peak mit Nachschwing-Effekten. Dieses Signal ist wegen seiner hochfrequenten Anteile nicht geeignet den Frequenz-Spannungswandler anzusteuern. Das Signal wird durch die Signalaufbereitung in einen eher rechteckigen Impuls umgewandelt aus dem mit einem nachgeschaltetem Kondensator die hochfrequenten Signalanteile ausgefiltert werden.

Anschließend wird das Signal in eine der Frequenz proportionale Spannung gewandelt.

Diese Spannung wird an den LED-Anzeige Treiber gegeben, der die einzelnen LED entsprechend der anliegenden Spannung wie eine Leuchtbandanzeige ansteuert. Der Anzeigetreiber erhält eine Rückkoppelung bei Vollausschlag. Dadurch ist es möglich die entsprechende Dekade bei Vollausschlag blinken zu lassen.

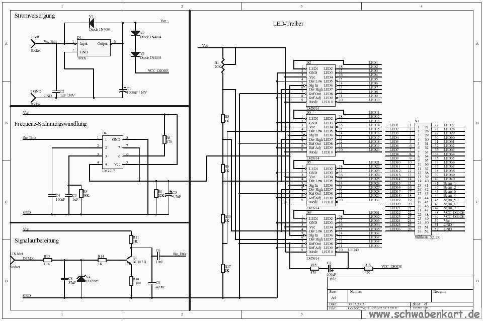
Schaltplan Stromversorgung.

Die Stromversorgung soll Spannungsschwankungen die durch eine schwache Batterie und schwankende Drehzahlen hervorgerufen werden verhindern.

Aus diesem Grund wird eine Spannung von 10 V gewählt. Sie liegt weit unter dem Nennwert der Batterie und es ist nicht damit zu rechnen, dass diese Spannung seitens der Batterie (von einen Defekt mal abgesehen) unterschritten wird.

40 LED stellen die Hauptlast dar, die getrieben werden muß. Eine LED benötigt maximal 20 mA. Wenn alle LED leuchten fließt somit ein Strom von 0,8 A. Die anderen Bauelemente werden über den Daumen gepeilt weniger als 200 mA benötigen.

Um trotzdem genügend Leistungsreserve zu haben wird der LM 7810 in der 2 A Ausführung gewählt.

Dicke Elko's glätten sowohl die Eingangsspannung als auch die Ausgangsspannung.

Die Signalaufbereitung wird wie sie ist von Manfred übernommen.

Der 10 kW Widerstand am Eingang entkoppelt die Schaltung strommäßig vom Zündkreis. Hochfrequente Anteile des Eingangssignals werden durch den Kondensator kurzgeschlossen, Potentiale über 2,7 V werden durch die Zenerdiode verhindert.
Das so vorbehandelte Eingangssignal wird über den 1kW Schutzwiderstand auf den Transistor gegeben.

Der 100 W Emitterwiderstand verhindert dass der Transistor in Sättigung geht.

Das Ausgangssignal wird vor dem Lastwiderstand von 1kW ausgekoppelt. Zu hohe Frequenzen werden durch der 470 nf Kondensator kurzgeschlossen. Der Gleichanteil des Signals wird durch den 10 nf Kondensator ausgekoppelt.

Signalaufbereitung
Frequenz-Spannungswandlung.

Für die Spannungs-Frequenz- Wandlung wird ein LM2917 von National Semiconductors verwendet.

Wenn man sich bei National Semiconductors registrieren lässt, kann man kostenlose Muster ordern. Dies wurde für diesen Baustein ausgenutzt. Im Päckchen von NS waren dann auch gleich 4 dieser IC's. Man darf zwar maximal 5 des gleichen Bausteins ordern, ich wollte jedoch nicht unverschämt sein und habe mich auf 4 eingeschränkt.

Der Baustein wird genau so beschalten wie es im Datenblatt als Anwendungsbeipiel angegeben ist.

Zur Umwandlung der Spannung, die nun proportional zur Drehzahl ist, wird der Komparatorbaustein LM3914 von National Semiconductors verwendet.

Auch diese IC's sind als kostenloses Muster von NS bezogen worden. An dieser Stelle möchte ich mich für die gelieferten Bauteile bedanken.

Die Bausteine werden durch den Einsatz des aus den vier 1kW Widerständen bestehenden Spannungsteiler kaskadiert. Der Referensspannungseingang des Bausteins bekommt so eine definiert abgestufte Mindest- und Maximalspannung.
Die Mindestspannung wird an Pin 6 angelegt. Sie ist die Spannung, die am Eingang angelegt werden muß damit die niederwertigste LED leuchtet.
Die Maximalspannung wird an Pin 4 angelegt. Sie definiert die Spannung für den "Vollausschlag" auf dem jeweiligen IC.

Mit dem 22 kW Trimmpoti kann die Betriebsspannung des Spannungsteilers verändert werden. Der Drehzahlmesser kann so später geeicht werden.

Die 620 W Widerstände an den Pin's 7 sind die Vorwiderstände die zur Bereitstellung der Betriebsspannung der LED's notwendig sind.

An den beiden mit den LED's in Reihe geschalteten Dioden fallen jeweils noch einmal 0,7 V ab. Sie dienen als zusätzlicher Schutz der LED's vor Überspannung.

LED Anzeigetreiber
Bestückungsseite der Platine.

Auf den nun folgenden Bildern ist die (fast) fertige Platine abgebildet.

Es fehlen die mittlerweile eingelöteten Steckverbinder für die Ausgänge der Komparator-IC's.

Auf der Displayplatine fehlen ebenfalls ein paar LED's. Die sind beim Test der Leuchtkraft kaputt gegangen und wurden erst nach der Aufnahme ersetzt.

Unterseite der Platine.
Anzeigefeld.

Die Schaltung ist nun fertig aufgebaut.

Nach außen gehen 10 Leitungen: 6 Leitungen zu den Gangsensoren, eine Leitung zum Leerlaufkontakt, 2 Leitungen Stromversorgung und eine Leitung zum Primäranschluß der Zündspule.

Als nächstes muß ein Gehäuse gebaut werden das in das Lenkrad integriert werden kann..

Schaltung fertig aufgebaut.
Die Form für das Gehäuse

Das Gehäuse soll aus glasfaserverstärktem Kunststoff sein. Dazu muß eine Form gebaut werden.

Das Lenkrad wird ausgemessen. Der Zwischenraum zwischen den Lenkradspeichen auf 8 Uhr und auf 4 Uhr soll den Drehzahlmesser aufnehmen. Zuerst wird eine Pappschablone geschnitten, die in diesen Zwischenraum passt. Danach wird aus Holzresten die Gehäuseform gebaut.

Diese wird noch lackiert, dass sich die Poren im Holz schließen. Dann wird alles zusätzlich mit Trennmittel eingesprüht. In 3 Arbeitsgängen wird das Gehäuse in der Form aufgebaut.

Nachdem die erste Lage Glasfaser mit Kunstharz eingepinselt war, schweißte ich etwas. Ein komischer Geruch machte sich breit. Hoppla. Das Gehäuse hatte Feuer gefangen. Es konnte zwar schnell ausgepustet werden, aber der schwarze Fleck ist immer noch zu sehen.

Nachdem alles ausgehärtet war, sollte das Gehäuse aus der Form möglichst ohne diese zerstören zu müssen. Leider ging das nicht.

Das Gehäuse mit eingegossenen Schrauben zur Montage am Lenkrad.
Die Unteransicht

Anschließend folgte eine Anprobe am Lenkrad und das eingiesen der Schrauben zur Befestigung am Lenkrad.

Dazu wurde ein 8mm Loch an den entsprechenden Stellen gebohrt. Die Schraubenköpfe werden etwas in die Oberfläche eingelassen und eingegossen.

Als dies wieder ausgehärtet war, füllte ich das Gehäuse mit Wasser um zu sehen ob es Wasserdicht ist. Und tatsächlich. Es ist dicht.

Zum Anschluß der Leitungen wird ein 12 poliger Sub-D Stecker ausgesucht.

Dies hat übrigens einer unserer Praktikanten - Florian - getan. Er arbeitet momentan daran, die Schaltung in ein professionelles Layout umzuwandeln.

Der Stecker wird in den Gehäuseboden eingebaut. An den Seiten geht es nicht weil der Stecker sonst beim Einbau des Gehäuses in das Lenkrad stören würde.

Auch er wird später noch eingegossen, allerdings erst wenn die Verankerungspunkte für die Platinen eingegossen werden müssen.

Der Stecker ist eingebaut.

Die folgenden 3 Bilder zeigen den in Protel übernommenen Schaltplan.

Gegenüber dem obigen Entwurf ist noch eine Rücklaufdiode an der Spannungsversorgung eingefügt worden. Die LED's erhalten auch jede einzelne einen Vorwiderstand damit die Helligkeit der LED's nicht mit zunehmender Aussteuerung des Treiberbausteins abnehmen.

Durch einen Mausklick auf die Bilder kann der Schaltplan in Originalgröße betrachtet werden.

Schließlich entstand auch ein Layout. Die eigentliche Arbeit bestand darin, die Bauteile alle auf der unkonventionellen Bauform zu platzieren und die Leiterbahnen zu routen.

Beide Platinen sind zweilagig.

Demnächst folgen noch Bilder der einzelnen Lagen damit ihr euch die Platinen selbst ätzen könnt.

Auch die gerber files stehen hier bald zum download bereit.

Jetzt da die Platinen da sind, können die Befestigungspunkte in das Gehäuse eingebracht werden.

Dazu werden die Platinen zusammengeschraubt wie sie später montiert sein sollen und das ganze wird mit Abstandshaltern so hoch gesetzt dass die untersten Abstandshalter eingegossen werden können.

Nachdem die untersten 4 Befestigungen eingegossen sind und das Kunstharz dort ausgehärtet ist, wird mit den oberen beiden Befestigungen der Anzeigeplatine genau so verfahren.

Wenn alles ausgehärtet ist, werden die Abstandshalter aus dem Kunstharz herausgezogen. Die Fußpunkte werden durchbohrt damit die Befestigungen von der Außenseite des Gehäuses her mit Schrauben befestigt werden können.

Die Schraubenlöcher werden noch mit einer Fräse angesenkt so dass die Schrauben im Gehäuse versenkt werden können.

Die Schrauben werden dann mit Kunstharz eingegossen. So kann sich nichts mehr lösen.

Probehalber werden die Platinen montiert um zu sehen ob auch alles paßt.

Nachdem die Platinen bestückt sind, wird eine Plexiglasscheibe zugesägt und eingepasst.

Dabei wird ganz deutlich dass aus der ehemals so symmetrischen Form durch die ständigen Nacharbeiten am Gehäuse (es mußte wegen der hohen 7 Segment Anzeige höher gemacht werden) eine höchst unsymmetrische Form wurde.

Eine Ungereimtheit gibt es noch. Die LED Treiber (LM3914) werden in einer neuen Auflage hergestellt: LM3914-N1. Diese verhalten sich leider anders als im Datenblatt angegeben. Anstelle einer Leuchtbandanzeige erscheint lediglich ein "breiter Punkt". Es leuchten also lediglich 3 bis 4 LED's.

Ansonsten funktioniert die Schaltung einwandfrei. Na mal sehen was mit den LM3914 los ist.

   
   

Letzte Änderung: 12.06.2005